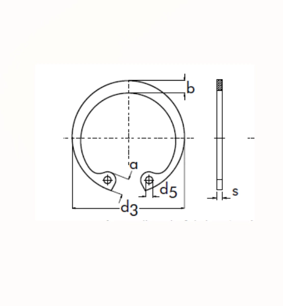
Também conhecido como ANEL DE TRAVA.
Produzido em AÇO SAE 1070 tem tratamento Térmico Temperado Revenido que dá a peça maior resistência entre os anéis de trava, durabilidaxe e desempenho tanto em baixas como em altas temperaturas.
Fabricado conforme normas técnicas DIN 472.
Padrão exigido para utilização:
- INDÚSTRIA MECÂNICA
- AUTOPEÇAS
- ESPACIAL
- NAVAL
- AGRÍCOLA
Material: Aço SAE 1070
